|
КОСМОДРОМ - Электронные компоненты для разработки и производства - Харьков - Украина

|
Уважаемые покупатели. В связи с систематическими отключениями электроэнергии возможны задержки с отгрузкой оплаченных заказов. Надеемся на ваше понимание |
|
 |
| |
|
|
|
|
полный перечень
продукции HAHN
на складе
Hahn Elektrobau GmbH
Трансформаторы
для печатного монтажа
BV 20
EI 30
EI 38
EI 42
EI 48
EI 54
EI 60
EI 66
Плоские трансформаторы
для печатного монтажа
UI 21
UI 30
UI 39
UI 48
|
Трансформаторы для
печатного монтажа серии
EI 48
|
Трансформаторы для
печатного монтажа серии EI48
|
- Мощность -
до 15 ВА
-
Трансформаторы температурного класса 70°C/B не защищены от
короткого замыкания
- Стандартные
модели имеют корпус типа "К"
-
Обязательное тестирование всех моделей на соответствие
стандартам ENEC 10-, VDE-, CSA- и UL. Факт тестирования
подтверждается соответствующей маркировкой на корпусе
трансформатора
-
Стабильность параметров при температурных изменениях
- Высокий
уровень безопасности и долгий срок службы
-
Устойчивость первичной обмотки к броскам напряжения
- Негорючий
материал корпуса и заливного компаунда
|
|
|
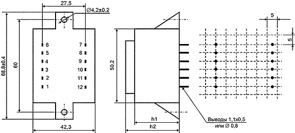
Габаритный чертеж,
мм
|
|
Вид со стороны
выводов
|
Установочные
размеры (± 0,3 мм)
|
|
|
|
Тип "K" - корпус с двумя
фланцами для крепления
|
Тип
|
Мощность
(Температурный класс ta
70°C/B)
|
h1, мм
|
h2, мм
|
Масса, кг
|
Упаковка, штук
|
|
BV EI 480...
|
7.0 ВА
|
24.2±0.5
|
30.2±0.5
|
0.250
|
24
|
|
BV EI 481...
|
10.0 ВА
|
27.9±0.5
|
34.6±0.5
|
0.300
|
24
|
|
BV EI 482...
|
12.0 ВА
|
32.3±0.5
|
38.5±0.5
|
0.350
|
24
|
|
BV EI 483...
|
15.0 ВА
|
37.5±0.5
|
43.5±0.5
|
0.450
|
24
|
|
Заказные версии
трансформаторов серии EI48
|
|
|
|
|
Тип "0" - корпус без
фланцев и отверстий для крепления
|
Тип "W" - корпус для
вертикального закрепления трансформатора
|
|
Трансформаторы серии
EI48 по условиям заказчика
Возможно изготовление
трансформаторов со встроенными элементами (термопредохранитель или
термистор PTC), иным размещением креплений и выводов, а также
трансформаторов без герметизации (для уменьшения стоимости и
габаритов).
Размеры на чертежах:
-
погрешность ± 0,3 мм
- Выводы: 1,1 x 0,5 или
Ж
0,8 мм
|
|
|
Тип "0" - корпус с
отверстиями для крепления
|
|
Наименование
|
Мощность, ВА
|
Напряжение первичной обмотки, В
|
Выводы первичной обмотки
|
Напряжение вторичной обмотки, В
|
Ток вторичной обмотки, мА
|
Выводы вторичной обмотки
|
Напряжение вторичной обмотки
(х.х.), В
|
|
BV EI 480 1218
|
7
|
1x230
|
1-6
|
2x7.5
|
467
|
7-8/11-12
|
2x10.1
|
|
BV EI 480 1219
|
7
|
1x230
|
1-6
|
1x9
|
778
|
8-11
|
1x11.6
|
|
BV EI 480 1220
|
7
|
1x230
|
1-6
|
2x9
|
388
|
7-8/11-12
|
2x11.6
|
|
BV EI 480 1221
|
7
|
1x230
|
1-6
|
1x12
|
583
|
8-11
|
1x15.2
|
|
BV EI 480 1222
|
7
|
1x230
|
1-6
|
2x12
|
292
|
7-8/11-12
|
2x15.4
|
|
BV EI 480 1223
|
7
|
1x230
|
1-6
|
1x15
|
467
|
8-11
|
1x18.9
|
|
BV EI 480 1224
|
7
|
1x230
|
1-6
|
2x15
|
233
|
7-8/11-12
|
2x19
|
|
BV EI 480 1225
|
7
|
1x230
|
1-6
|
1x18
|
389
|
8-11
|
1x22.3
|
|
BV EI 480 1226
|
7
|
1x230
|
1-6
|
1x24
|
292
|
8-11
|
1x29.4
|
|
BV EI 480 1227
|
7
|
1x230
|
1-6
|
1x6
|
1167
|
8-11
|
1x7.6
|
|
BV EI 480 1228
|
7
|
1x230
|
1-6
|
2x6
|
583
|
7-8/11-12
|
2x7.6
|
|
BV EI 480 1229
|
7
|
1x230
|
1-6
|
2x18
|
195
|
7-8/11-12
|
2x22.3
|
|
BV EI 480 1230
|
7
|
1x230
|
1-6
|
1x7.5
|
934
|
8-11
|
1x10.1
|
|
BV EI 481 1118
|
10
|
1x230
|
1-6
|
2x9
|
556
|
7-8/11-12
|
2x11.5
|
|
BV EI 481 1119
|
10
|
1x230
|
1-6
|
2x12
|
417
|
7-8/11-12
|
2x15.3
|
|
BV EI 481 1120
|
10
|
1x230
|
1-6
|
2x15
|
333
|
7-8/11-12
|
2x18.6
|
|
BV EI 481 1134
|
10
|
1x230
|
1-6
|
2x6
|
833
|
7-8/11-12
|
2x7.6
|
|
BV EI 481 1142
|
10
|
1x230
|
1-6
|
1x6
|
1667
|
8-11
|
1x7.6
|
|
BV EI 481 1167
|
10
|
1x230
|
1-6
|
1x9
|
1111
|
8-11
|
1x11.5
|
|
BV EI 481 1172
|
10
|
1x230
|
1-6
|
1x12
|
833
|
8-11
|
1x15.5
|
|
BV EI 481 1182
|
10
|
1x230
|
1-6
|
1x7.5
|
1333
|
8-11
|
1x9.8
|
|
BV EI 481 1184
|
10
|
1x230
|
1-6
|
1x15
|
667
|
8-11
|
1x18.6
|
|
BV EI 481 1185
|
10
|
1x230
|
1-6
|
1x18
|
556
|
8-11
|
1x22.3
|
|
BV EI 481 1186
|
10
|
1x230
|
1-6
|
1x24
|
416
|
8-11
|
1x28.7
|
|
BV EI 481 1188
|
10
|
1x230
|
1-6
|
2x7.5
|
667
|
7-8/11-12
|
2x9.8
|
|
BV EI 481 1192
|
10
|
1x230
|
1-6
|
2x18
|
278
|
7-8/11-12
|
2x22.3
|
|
BV EI 482 1231
|
12
|
1x230
|
1-6
|
1x6
|
2000
|
8-11
|
1x8.3
|
|
BV EI 482 1232
|
12
|
1x230
|
1-6
|
2x6
|
1000
|
7-8/11-12
|
2x8.3
|
|
BV EI 482 1233
|
12
|
1x230
|
1-6
|
1x7.5
|
1600
|
8-11
|
1x10.6
|
|
BV EI 482 1234
|
12
|
1x230
|
1-6
|
2x18
|
333
|
7-8/11-12
|
2x23.5
|
|
BV EI 482 1236
|
12
|
1x230
|
1-6
|
2x7.5
|
800
|
7-8/11-12
|
2x10.6
|
|
BV EI 482 1237
|
12
|
1x230
|
1-6
|
1x9
|
1333
|
8-11
|
12.4
|
|
BV EI 482 1238
|
12
|
1x230
|
1-6
|
2x9
|
667
|
7-8/11-12
|
2x12.4
|
|
BV EI 482 1239
|
12
|
1x230
|
1-6
|
1x12
|
1000
|
8-11
|
1x16.3
|
|
BV EI 482 1240
|
12
|
1x230
|
1-6
|
2x12
|
500
|
7-8/11-12
|
2x16.3
|
|
BV EI 482 1241
|
12
|
1x230
|
1-6
|
1x15
|
800
|
8-11
|
1x19.9
|
|
BV EI 482 1242
|
12
|
1x230
|
1-6
|
2x15
|
400
|
7-8/11-12
|
2x19.9
|
|
BV EI 482 1243
|
12
|
1x230
|
1-6
|
1x18
|
667
|
8-11
|
1x23.5
|
|
BV EI 482 1244
|
12
|
1x230
|
1-6
|
1x24
|
500
|
8-11
|
1x30.3
|
|
BV EI 483 1245
|
15
|
1x230
|
1-6
|
2x7.5
|
1000
|
7-8/11-12
|
2x9.5
|
|
BV EI 483 1246
|
15
|
1x230
|
1-6
|
1x9
|
1667
|
8-11
|
1x12
|
|
BV EI 483 1247
|
15
|
1x230
|
1-6
|
2x9
|
833
|
7-8/11-12
|
2x12
|
|
BV EI 483 1248
|
15
|
1x230
|
1-6
|
1x12
|
1250
|
8-11
|
1x15.9
|
|
BV EI 483 1249
|
15
|
1x230
|
1-6
|
2x12
|
625
|
7-8/11-12
|
2x15.9
|
|
BV EI 483 1250
|
15
|
1x230
|
1-6
|
1x15
|
1000
|
8-11
|
1x19.1
|
|
BV EI 483 1251
|
15
|
1x230
|
1-6
|
2x15
|
500
|
7-8/11-12
|
2x19.1
|
|
BV EI 483 1252
|
15
|
1x230
|
1-6
|
1x18
|
833
|
8-11
|
1x22.8
|
|
BV EI 483 1253
|
15
|
1x230
|
1-6
|
1x24
|
625
|
8-11
|
1x30.6
|
|
BV EI 483 1257
|
15
|
1x230
|
1-6
|
2x6
|
1250
|
7-8/11-12
|
2x7.8
|
|
BV EI 483 1258
|
15
|
1x230
|
1-6
|
1x7.5
|
2000
|
8-11
|
1x9.5
|
|
BV EI 483 1259
|
15
|
1x230
|
1-6
|
2x18
|
417
|
7-8/11-12
|
2x22.8
|
|
BV EI 483 1260
|
15
|
1x230
|
1-6
|
1x6
|
2500
|
8-11
|
1x7.8
|
|
|
|
| |
|
|
|
|
Поставляемые компоненты










|
^ Наверх DIV >
радиошоп, radioshop, радио, радиодетали, микросхемы, интернет, завод,
комплектующие, компоненты, микросхемы жки индикаторы светодиоды семисегментные датчики влажности преобразователи
источники питания тиристор симистор драйвер транзистор, диод, книга, приложение,
аудио, видео, аппаратура, ремонт, антенны, почта, заказ, магазин,
интернет - магазин, товары-почтой, почтовые услуги, товары, почтой, товары
почтой, каталог, магазин, Internet shop, база данных, инструменты, компоненты,
украина, харьков, фирма Космодром kosmodrom поставщики электронных компонентов дюралайт edison opto светодиодное освещение Интернет-магазин радиодеталей г.Харьков CREE ATMEL ANALOG DEVICES АЦП ЦАП