КОСМОДРОМ - Электронные компоненты для разработки и производства - Харьков - Украина
|
Серии источников питания HDR на DIN рейку с
ультра-узкой формой корпуса и полным диапазоном входного напряжения
100-240 В переменного тока 15, 30, 60, 100, 150 Ватт
HDR-15
HDR-30
HDR-60
HDR-100
HDR-150
|
 |
|
 |
| |
|
|
|
| |
драйвера
светодиодов |
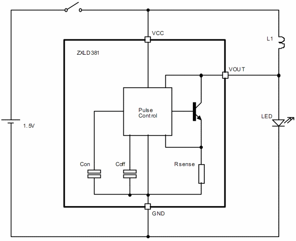
ZXLD381 – простой драйвер светодиодов для фонаря |
 |
|
| |
 |
Стремительное развитие направления
светодиодного освещения и декоративной подсветки затронуло не только
профессиональную сферу производства, но и наш повседневный быт.
Настольные лампы, мощные фонари и даже компактные карманные фонарики
уже оснащаются белыми светодиодами для увеличения КПД и срока службы
изделий. Специально для таких применений компания Zetex разработала
ZXLD381
– уникальный и очень простой в применении драйвер мощных и суперярких
светодиодов для тех применений, где требуется питать повышающий
преобразователь от очень низкого входного напряжения, например одной
батарейки или аккумулятора. Как известно, стандартное напряжение
питания таких источников питания составляет 1.5V или 1.2V. Микросхема
драйвера генерирует импульсы постоянного тока, что очень хорошо
подходит для питания одного или цепочки из нескольких светодиодов в
широком диапазоне питающего напряжения. |
|
| |
Драйвер ZXLD381 использует
PFM-технологию для управления внутренним переключающим транзистором,
который обладает очень низким эквивалентным сопротивлением в открытом
состоянии. Это гарантирует сохранение высокого КПД даже при снижении
входного напряжения ниже 1V. Запуск микросхемы при полной нагрузке
возможен при типовом напряжении всего 0.9V.
- КПД не менее 85%
- диапазон напряжения питания: 0.9V…2.2V
- минимальное напряжение запуска: 0.8V
- ток утечки клча: 70uA
- рабочая частота: 350kHz
- максимальный ток переключения: 800mA
- задание пользователем выходного тока
- возможность работы от одной батарейки
(минимум 0.9V)
- низкое напряжение насыщения
переключающего транзистора: 100mV
- мощность рассеивания: 450mW
Драйверы производятся в корпусе SOT23–3
(ZXLD381FHTA) для температурного диапазона 0°C…+85°C.
 |
|
| |
|
|
| |
|
|
|
|
Поставляемые компоненты










|
^ Наверх DIV >
радиошоп, radioshop, радио, радиодетали, микросхемы, интернет, завод,
комплектующие, компоненты, микросхемы жки индикаторы светодиоды семисегментные датчики влажности преобразователи
источники питания тиристор симистор драйвер транзистор, диод, книга, приложение,
аудио, видео, аппаратура, ремонт, антенны, почта, заказ, магазин,
интернет - магазин, товары-почтой, почтовые услуги, товары, почтой, товары
почтой, каталог, магазин, Internet shop, база данных, инструменты, компоненты,
украина, харьков, фирма Космодром kosmodrom поставщики электронных компонентов дюралайт edison opto светодиодное освещение Интернет-магазин радиодеталей г.Харьков CREE ATMEL ANALOG DEVICES АЦП ЦАП