КОСМОДРОМ - Электронные компоненты для разработки и производства - Харьков - Украина


 


Как купить...     


 

 

EnglishRussianUkrainian

Обратите внимание: запущена новая версия сайта

Перейти в корзину

Уважаемые покупатели. Обратите внимание на наш график работы - 13 апреля 2026 года - выходной день. Далее работаем по графику.

  


Фото может отличаться от реального вида предмета, но это не влияет на основные характеристики изделия



Временно нет на складе...

код товара:

Кол-во

Цена без НДС, грн

Купить

от шт




Раздел:
 

RW-400B – приемопередающий модуль компании Wenshing работает в частотном диапазоне 431 МГц...435 МГц и имеет выходную мощность 0.5 Вт, что позволяет обеспечить дальность связи до 1 км в условиях городской застройки.

Модуль работает в режиме полного дуплекса. В TRW-400B применяется GFSK-модуляция. Особенностями модуля являются интегрированная печатная антенна, АРУ и RSSI.

Отличительные особенности:

диапазон рабочих частот: 431 МГц...435 МГц;
чувствительность: -122 дБм;
выходная мощность: +27 дБм;
количество каналов: 320 (12.5 кГц);
скорость передачи данных: 2.4 кбит/с...153 кбит/с;
ток потребления: 250 мА;
напряжение питания: 4 В...6 В;
температурный диапазон: -40°C...+80°С;
размеры модуля: 38.1 × 20.3 мм.
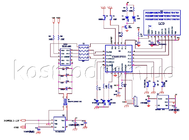
Типовая схема подключения TRW-400B:


Области применения:

системы с дистанционным управлением,
системы автоматического измерения,
системы домашней автоматизации,
системы охранной и пожарной сигнализации

 
 







Поставляемые компоненты











^ Наверх

Электронные компоненты для разработки и производства. Харьков, Украина

  Украинский хостинг - UNIX хостинг & ASP хостинг

радиошоп, radioshop, радио, радиодетали, микросхемы, интернет, завод, комплектующие, компоненты, микросхемы жки индикаторы светодиоды семисегментные датчики влажности преобразователи источники питания тиристор симистор драйвер транзистор, диод, книга, приложение, аудио, видео, аппаратура, ремонт, антенны, почта, заказ, магазин, интернет - магазин, товары-почтой, почтовые услуги, товары, почтой, товары почтой, каталог, магазин, Internet shop, база данных, инструменты, компоненты, украина, харьков, фирма Космодром kosmodrom поставщики электронных компонентов дюралайт edison opto светодиодное освещение Интернет-магазин радиодеталей г.Харьков CREE ATMEL ANALOG DEVICES АЦП ЦАП