КОСМОДРОМ - Электронные компоненты для разработки и производства - Харьков - Украина
|
Уважаемые покупатели. В связи с систематическими отключениями электроэнергии возможны задержки с отгрузкой оплаченных заказов. Надеемся на ваше понимание |
|
 |
| | | |  Фото может отличаться от реального вида предмета, но это не влияет на основные характеристики изделия | AD7606BSTZ 16000uA 8 SPI 2.3V~5.25V 16 LQFP-64(10x10) ADCs/DACs - Special Purpose RoHS
Временно нет на складе...
Производитель: ADI Тип корпуса: LQFP-64(10x10) код товара:
Кол-во | Цена без НДС, грн | Купить |
| Раздел:
| | | |
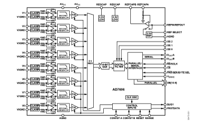
Семейство
AD76061/AD7606-6/AD7606-4 представляет собой
серию 16-битных, 8/6/4-канальных соответственно
систем одновременной аналогово-цифровой
обработки данных. Система имеет аналоговую схему
защиты от перенапряжения, фильтр защиты от
наложения спектров, усилитель выборки-хранения,
16-битный АЦП последовательного приближения,
настраиваемый цифровой фильтр, источник опорного
напряжения на 2.5В с буфером, а также
высокоскоростные последовательный и параллельный
интерфейсы. АЦП семейства
AD76061/AD7606-6/AD7606-4 работают от
однополярного питания в 5В и могут обрабатывать
истинно биполярные сигналы с размахом ± 10В и
±5В с частотой оцифровки до 200 кГц в каждом
канале.
|
 |
|
Импеданс
аналогового входа составляет 1 МГц, вне зависимости от частоты
оцифровки. Возможность работы в однополярном режиме, встроенные
фильтры высокий входной импеданс избавляют от необходимости
использовать усилители-драйверы АЦП и внешний биполярный источник
питания. В устройствах AD7606/AD7606-6/AD7606-4 фильтр защиты от
наложения спектров обеспечивает полосу по уровню 3 дБ до частоты
22кГц и 40 дБ подавления наложения спектров при оцифровке на частоте
200 кГц. Настраиваемый цифровой фильтр управляется с выводов,
обеспечивает улучшение отношения сигнал/шум и сужает полосу
пропускания.
1 Патент заявлен
Области применения
Системы мониторинга и защиты силовых линий
Многофазное управление двигателями
Системы контроля и измерений
Многоосевые системы позиционирования
Системы сбора данных |
|
ОСОБЕННОСТИ И
ПРЕИМУЩЕСТВА:
8/6/4 входов с одновременной выборкой
Биполярный аналоговый входной сигнал, диапазон: ±10 В, ±5 В
Однополярное питание аналоговой части 5 В, VDRIVE от 2.3 В до 5 В
Импеданс аналогового входа 1 МОм
Схемы ограничения сигналов на аналоговых входах
Аналоговый фильтр 2го порядка для предотвращения спектральных
наложений
Высокая пропускная способность: 200 kSPS для всех 8 каналов
Поддержка избыточной дискретизации с применением цифрового фильтра,
отношение сигнал-шум 96 дБ при 50 ksps |
| | | |
Поставляемые компоненты










|
^ Наверх DIV >
радиошоп, radioshop, радио, радиодетали, микросхемы, интернет, завод,
комплектующие, компоненты, микросхемы жки индикаторы светодиоды семисегментные датчики влажности преобразователи
источники питания тиристор симистор драйвер транзистор, диод, книга, приложение,
аудио, видео, аппаратура, ремонт, антенны, почта, заказ, магазин,
интернет - магазин, товары-почтой, почтовые услуги, товары, почтой, товары
почтой, каталог, магазин, Internet shop, база данных, инструменты, компоненты,
украина, харьков, фирма Космодром kosmodrom поставщики электронных компонентов дюралайт edison opto светодиодное освещение Интернет-магазин радиодеталей г.Харьков CREE ATMEL ANALOG DEVICES АЦП ЦАП